○与謝野町税に関する文書の様式を定める規則
平成18年3月1日
規則第39号
(趣旨)
第1条 与謝野町税条例(平成18年与謝野町条例第57号。以下「条例」という。)の施行に関し必要な事項を定めるものとする。
(様式)
第2条 町税に関する文書の様式は、別表に掲げるところによるものとする。
(準用)
第3条 地方税法施行令(昭和25年政令第245号。以下「令」という。)第2条第6項の規定による届出については相続人代表者指定届(様式第6号)を、地方税法(昭和25年法律第226号。以下「法」という。)第14条の18第2項後段の規定による通知については地方税法第14条の18の規定による告知書(様式第13号)を、令第6条の8第3項において準用する同令第6条の2の3ただし書の納期限変更通知については納期限変更告知書(様式第10号)を、法第16条第3項(同法第16条の3第3項及び第16条の4第7項において準用する場合を含む。)の規定による増担保の提供等の必要な行為を求める文書については保全担保提供命令書(様式第15号)をそれぞれ準用する。
(告知)
第4条 令第6条の2の3本文の規定による告知は、この規則で定める納税通知書、納付(納入)通知書等に繰上徴収する旨及びその納期限を記載するとともに、その裏面に繰上徴収する法令の根拠規定を記載するものとする。
附則
(施行期日)
1 この規則は、平成18年3月1日から施行する。
附則(平成19年3月30日規則第2号)
この規則は、平成19年4月1日から施行する。
附則(平成19年12月21日規則第18号)
この規則は、公布の日から施行する。
附則(平成20年3月31日規則第3号)
この規則は、公布の日から施行する。
附則(平成25年3月19日規則第4号)
この規則は、平成25年4月1日から施行する。
附則(平成26年1月1日規則第1号)
この規則は、公布の日から施行する。ただし、様式第3号及び第4号の規定は平成26年2月1日から、様式第5号、第20号、第23号、第28号、第29号、第33号及び第35号の規定は平成26年1月14日から施行する。
附則(平成27年12月28日規則第31号)
この規則は、平成28年1月1日から施行する。
附則(平成27年12月28日規則第33号)抄
(施行期日)
1 この規則は、平成28年1月1日から施行する。
(与謝野町税に関する文書の様式を定める規則の一部改正に伴う経過措置)
2 この規則の施行の際、第1条の規定による改正前の与謝野町税に関する文書の様式を定める規則の様式による用紙で、現に残存するものは、当分の間、所要の修正を加え、なお使用することができる。
附則(平成28年4月1日規則第15号)
(施行期日)
1 この規則は、公布の日から施行する。
(経過措置)
2 様式第23号(その2)中、「町民税 3,000円 府民税 1,000円」を「
町民税 3,500円 府民税 2,100円 ※府民税のうち、600円は豊かな森を育てる府民税です。 |
」に改める改正規定は、平成28年度以後の府民税の課税決定又は変更に係るものについて適用し、平成27年度以前の府民税の課税決定又は変更に係るものについては、なお従前の例による。
3 この規則の施行の際、この規則に規定する様式による用紙で、現に残存するものは、当分の間、所要の修正を加え、なお使用することができる。
附則(平成28年12月13日規則第26号)
(施行期日)
1 この規則は、平成29年1月1日から施行する。
(経過措置)
2 この規則による改正後の様式第35号は、平成29年度以後の年度分の町民税、府民税及び国民健康保険税(以下「町民税等」という。)について適用し、平成28年度分までの町民税等については、なお従前の例による。
附則(平成31年4月23日規則第14号)
この規則は、平成31年5月1日から施行する。
附則(令和2年12月1日規則第23号)
この規則は、令和3年1月1日から施行する。
附則(令和3年10月27日規則第18号)
(施行期日)
1 この規則は、令和4年1月1日から施行する。
(経過措置)
2 この規則による改正後の様式第35号は、令和4年度以後の年度分の町民税、府民税及び国民健康保険税(以下「町民税等」という。)について適用し、令和3年度分までの町民税等については、なお従前の例による。
附則(令和5年4月1日規則第19号)
この規則は、機構改革に伴う関係条例の整備に関する条例(令和4年与謝野町条例第26号)の施行の日から施行する。
附則(令和5年6月23日規則第28号)
この規則は、令和5年7月1日から施行する。
附則(令和6年3月18日規則第6号)
この規則は、令和6年4月1日から施行する。
附則(令和7年10月30日規則第28号)
(施行期日)
1 この規則は、令和7年11月1日から施行する。
(経過措置)
2 この規則の施行の際、この規則による改正前の様式第30号及び様式第31号による用紙で、現に残存するものについては、当分の間、所要の修正を加え、なお使用することができる。
附則(令和7年12月16日規則第33号)
この規則は、令和7年12月22日から施行する。
別表(第2条関係)
名称 | 根拠条文 | |
1 | 徴税職員証 | 法第298条、第353条、第450条、第470条、第588条、第674条及びその例によることとされる国税徴収法(昭和34年法律第147号)第147条 |
2 | 町税・犯則事件調査職員証 | 法第336条、第437条、第485条の6及び第616条の規定において準用する国税犯則取締法(明治33年法律第67号)第4条 |
3 | 納付書 | |
4 | 督促状 | 法第329条、第334条、第371条、第457条、第611条及び第726条 |
5 | 納入書 | |
6 | 相続人代表者指定届 | 法第9条の2第1項後段 |
7 | 相続人代表者指定通知書 | 法第9条の2第2項後段 |
8 | 納付(納入)通知書 | 法第11条第1項 |
9 | 納付(納入)催告書 | 法第11条第2項 |
10 | 納期限変更告知書 | 法第13条の2第3項後段 |
11 | 地方税法第14条の16の規定による徴収通知書 | 法第14条の16第4項 |
12 | 地方税法第14条の16の規定による交付要求書 | 法第14条の16第5項 |
13 | 地方税法第14条の18の規定による告知書 | 法第14条の18第2項前段 |
14 | 納税義務消滅通知書 | 法第15条の7第4項及び第5項並びに第18条 |
15 | 保全担保提供命令書 | 法第16条の3第1項 |
16 | 保全担保に係る抵当権設定通知書 | 法第16条の3第4項 |
17 | 保全差押金額決定通知書 | 法第16条の4第2項 |
18 | 交付要求書 | 法第16条の4第9項及び国税徴収法第82条第1項 |
19 | 交付要求通知書 | 法第16条の4第9項及び国税徴収法第82条第3項 |
20 | 納税証明書 | 法第20条の10 |
21 | 納税管理人申告書 | |
22 | 町府民税、固定資産税、国民健康保険税納税(変更)通知書 | 法第1条第1項第6号、第43条、第319条の2、第364条、条例第41条、第43条、第69条、第72条、与謝野町国民健康保険税条例(平成18年与謝野町条例第59号)第14条 |
23 | 町民税・府民税 特別徴収税額の通知書 | 法第321条の4第1項 |
24 削除 |
|
|
25 | 町民税更正(決定)通知書 | 法第321条の11第4項 |
26 | 固定資産評価員証 | 法第353条第3項 |
27 | 固定資産評価補助員証 | |
28 | 軽自動車税納税通知書 | |
29 削除 | ||
30 | 軽自動車税申告(報告)書兼標識交付申請書 | |
31 | 軽自動車税廃車申告書兼標識返納書 | |
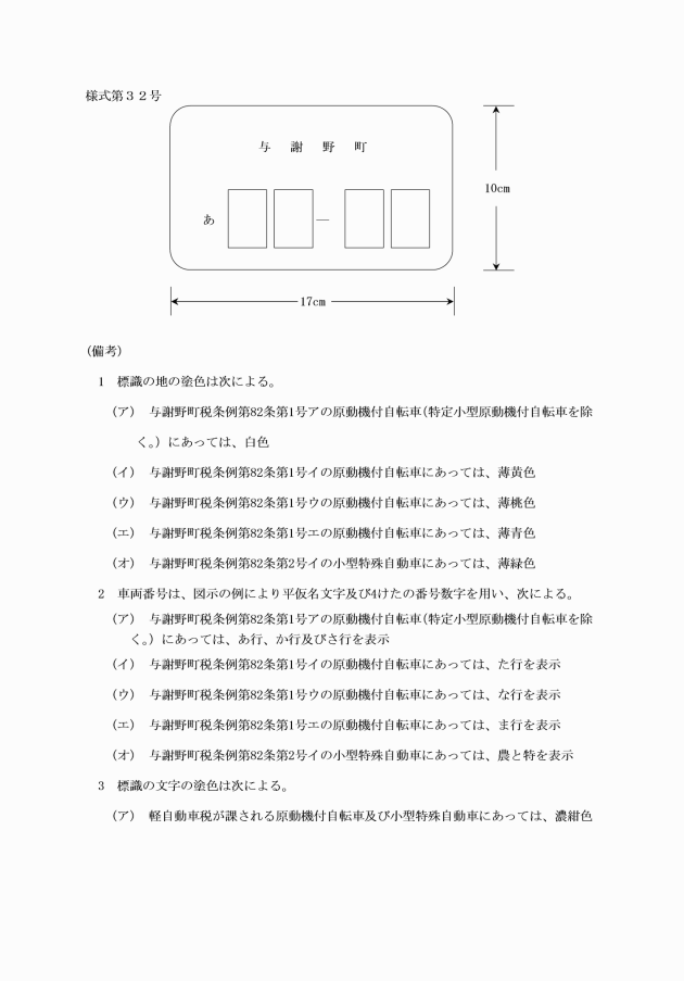
32 | 原動機付自転車・小型特殊自動車標識 | 条例第91条第2項(特定小型原動機付自転車(道路運送車両の保安基準(昭和26年運輸省令第67号)第2条第1項第13号の6に規定する原動機付自転車をいう。以下同じ。)に係るものを除く。) |
32の2 | 特定小型原動機付自転車標識 | 条例第91条第2項(特定小型原動機付自転車に係るものに限る。) |
33 | 原動機付自転車・小型特殊自動車標識交付証明書 | |
34 | 軽自動車税減免申請書 | |
35 | 町民税・府民税・国民健康保険税申告書 | |
36 | 個人町民税減免申請書 | |
37 | 法人町民税減免申請書 | |
38 | (個人・法人)町民税減免事由消滅申告書 |































様式第22号 略


様式第24号 削除






様式第29号 削除













